






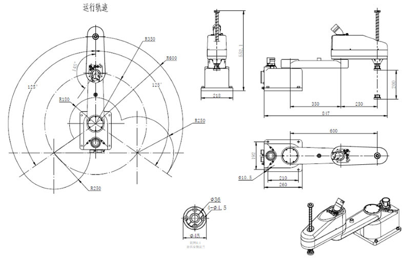
水平四关节机器人(SCARA) 1.SCARA是一种多关节机器人,其结构轻便、响应快,它最适用于平面查找,垂直方向进行装配取放等作业,大量应用于装配作业,印刷电路板和电子零部件等。 2.目前公司拥有的SCARA机型包括ZKIRSC0403A、ZKIRSC0605A、ZKIRSC0810A三款机型,分别负载为3KG、5KG、10KG。根据工作半径和负载重量的不同,可以选择不同的机型,从而满足不同工作环境,不同产品生产的需求。 3.SCARA机器人广泛应用于电子产品工业,汽车工业,塑料工业,药品工业和食品工业等领域。用以完成搬取,装配,喷涂,焊接等操作。
