及到的装置:6SL3130-6TE21-6AA3
T-B72069611
三次维修:一次:2012.9.27 无故障
第二次:2013.2.20 同步时F30021刷屏 更换ABO后OK
第三次:2013.3.26 同步时F30021刷屏
对于同步时刷屏的故障现象,从经验判断一般为ABO损坏,但鉴于与前一次维修故障现象相同,没有直接判定是ABO损坏,而是怀疑功率板有问题 。
回顾F30021诊断方法----r69值
可以通过starter上r69值判断哪一相电流有问题
U相电流检测有问题
1、

也可以通过starter上trace功能来判断
黄色电流波形缺一半

回顾F30021诊断方法----拆机诊断
1、TestCube判断哪一相出问题
2、786J输出信号2.2V左右
3、786J两侧电源
4、786J的2,3脚阻值为2*39=78欧左右
5、测检流电阻

实际诊断步骤1----观测r69值
连上starter,r069.0=-10, r069.3=0。
U相电流检测有问题

报警栏不停报F30021,不到1S钟报一个;可以复位,复位完成后再报。

实际诊断步骤2----拆机诊断
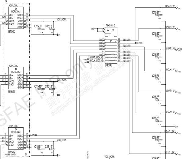
用万用表测量U相786J输出,11,13脚电压2.4V左右,与V,W相基本相同,以下为示意图 。

实际诊断步骤3----TestCube

实际诊断步骤4----示波器观测541输出

V相541输出信号

U相541输出信号

V相786J输出信号

U相786J输出信号

----786J输出信号有问题
由此可以断定是786J输出的信号有问题,但经过541及一些滤波电路处理后使不太好的电流信号给逐级隐藏了,但会在偶尔严重的时候会报故障。
实际目测786J外观有一些变形及移位,有两个脚有比较明显弯曲的痕迹,估计是受内伤了 。
处理结果:更换此786J后,信号恢复正常,带电机运行正常。

此例的引思----偶报F30021
关于偶报F30021的几种可能:
1、类似2*9A模块的排线接触不良问题。
2、18A以下压接的IGBT没压实。
3、200A黑色IGBT触发极焊接不实的问题。
4、786J特性不好的问题。
此例的引思----正确的信号波形


此例的引思----786J工作原理
将模拟输入转换成10MHZ的串行数据流
1、12位线性度与分辨率
2、200ns转换时间(预触发模式)
3、-200mv~200mv输入范围
4、-40°C至+85°C的工作温度范围
5、3750 V光耦绝缘耐压评级,15 kV/μs 瞬态隔离免疫

Sigma-Delta (Σ??) A/D转换器

全量程及编码


